Best Of
Re: Amplifier on a budget
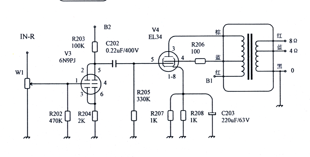
After a bit of an online search this is probably the schematic for the output stage of your amplifier:

It shows the "0" terminal to be connected to ground so it should be fine with the SDA speakers connected. Of course to be sure, connect the amp up to both speakers without the SDA cable attached. Use a volt/ohm meter set to read AC voltage. With music playing touch one probe to the negative speaker terminal, labeled "0" and the other probe to any grounding point, such as the shield side of the input RCA plug. There should be 0 volts on the meter, now touch the first probe to the speaker terminal marked "4 ohms" and there should be numbers displayed going up and down in value. This means that the SDA connection will not short out the amplifier since there is no voltage being generated at the "0" terminal, it is at the same potential as any ground point in the amp.

It shows the "0" terminal to be connected to ground so it should be fine with the SDA speakers connected. Of course to be sure, connect the amp up to both speakers without the SDA cable attached. Use a volt/ohm meter set to read AC voltage. With music playing touch one probe to the negative speaker terminal, labeled "0" and the other probe to any grounding point, such as the shield side of the input RCA plug. There should be 0 volts on the meter, now touch the first probe to the speaker terminal marked "4 ohms" and there should be numbers displayed going up and down in value. This means that the SDA connection will not short out the amplifier since there is no voltage being generated at the "0" terminal, it is at the same potential as any ground point in the amp.
SeleniumFalcon
1 ·
Re: Post a video... any video
Yep, Fastway burned it up for some years.
Good straight ahead rock n roll.
Nice!
Good straight ahead rock n roll.
Nice!
pitdogg2
1 ·
Re: Axpona 2026
I wish that room we were in where they were trying to use the R2R as the source a couple or three years ago would’ve cooperated. I’ve yet to hear a good example of what’s possible there.
I don’t know why, but Tom’s simple post finally clicked with me on the 2-channel vs. live disconnect I had. I think I get it, now. Thanks, guys.
I don’t know why, but Tom’s simple post finally clicked with me on the 2-channel vs. live disconnect I had. I think I get it, now. Thanks, guys.
bcwsrt
1 ·
Re: Amplifier on a budget
No speakers connected, zero on the amplifier volume. It is a no load test. Just powered on for a few minutes at least.
billbillw
1 ·
Re: Marantz UD7007 Universal Player
Prices seem to be all over the place. Maybe around $500 but for two channel analog audio (CD, SACD, DVD-A) it's supposed to be better than an Oppo 105 and both have XLR outputs. Although it may look similar to an Oppo and its video processor is similar it's completely different inside.
The video circuitry can be turned off for better sound. But, these will be more than a decade old so the drive mechanism may or may not last depending on how it was used. Having a remote in new condition is a big plus and adds to the value.
The video circuitry can be turned off for better sound. But, these will be more than a decade old so the drive mechanism may or may not last depending on how it was used. Having a remote in new condition is a big plus and adds to the value.
Emlyn
1 ·
Re: What Are You Listening To? (Part Deux)


Funny to see this one show up. When the Jazz Heritage Society was going out of business several years ago, they marked down many CD's to $5.00 or less. I bought about a dozen, this was one of them. Good Hammond B3 sound.
aprazer402
2 ·
Re: Amplifier on a budget
That HTS 2600 power filter included is a nice bonus. Looks like the seller kept his stuff clean. Maybe a gem
billbillw
1 ·
Re: Amplifier on a budget
Those NAD you mentioned look like an amp and a tuner. You would still need a preamp? The amp would have plenty of power, but depending how much it has been used, it might need work. If low hours, that's a good deal for an amp like that.
That Yamaha is entry level and probably not great. It has spring clip speaker terminals, which screams low build quality.
That Yamaha is entry level and probably not great. It has spring clip speaker terminals, which screams low build quality.
billbillw
1 ·


