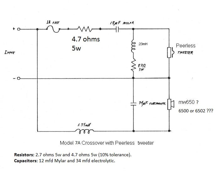
Polk Monitor 7A with peerless resistor value...
Mystery
Posts: 2,546
Finally opened up my 7A's and to my surprise, it has 4.7 Ohm resistor along with a 2.7 Ohm resistor.
None of the schematics mention that extra resistor and also some other thread have 4.5 Ohm instead of 4.7.
So, should I replace it with 4.7 Ohm or 4.5 is okay?
Or, do I even bother about replacing resistor?
They look okay and I'm planning on replacing capacitors.
Also, is that black 34uF capacitor electrolytic there?
It doesn't look like normal electrolytic with aluminum foil.
Thanks
Pic below:
None of the schematics mention that extra resistor and also some other thread have 4.5 Ohm instead of 4.7.
So, should I replace it with 4.7 Ohm or 4.5 is okay?
Or, do I even bother about replacing resistor?
They look okay and I'm planning on replacing capacitors.
Also, is that black 34uF capacitor electrolytic there?
It doesn't look like normal electrolytic with aluminum foil.
Thanks
Pic below:

Klipsch RB81, KG3.5, B&W DM602.5, Polk.
Subwoofers: Klipsch RW10, Triad ProSub Bronze.
Post edited by Mystery on
Comments
-
I ordered correct values.
Looks like this version is not in the schematics list that's the reason for this thread as the schematics only mention 2 ohm or 2.7 ohms but none mention additional 4.7 ohms resistor.
Here is a draft:
Klipsch RB81, KG3.5, B&W DM602.5, Polk.
Subwoofers: Klipsch RW10, Triad ProSub Bronze. -
I'm thinking you should replace the caps and resistors with identical values to what's on the board.
Now the trick will be making the decision on the caps and resistors. Some say this and some say that but whatever you decide will be a pleasant upgrade to the stock caps and resistors.
Use the search function for we have a lot of info on the upgrade process.
Good luck. -
Did you check the other speaker? I have a 4.5 in one and a 4.7 in the other. Go figure.HT- Samsung PN50B860/Integra DTR 30.3/Rt55 Fronts
Rt35i Surrounds/Cs1000p Center/SVS BP1000 Sub
2CH - B&K MC-101 pre/B&K EX-442 amp/NAD 2400 amp
Polk SDA1C, Polk Monitor 7, New Large Advents and Polk RTA 8T
BR - Yamaha CR800/Polk monitor 5 -
Easy Runnin wrote: »Did you check the other speaker? I have a 4.5 in one and a 4.7 in the other. Go figure.
Yes, both have exact same parts and values even with different cabinets.
Just finished my 1st ever crossover upgrade on them and sound excellent.
One of them was horribly muddy before.
Klipsch RB81, KG3.5, B&W DM602.5, Polk.
Subwoofers: Klipsch RW10, Triad ProSub Bronze. -
Why no capacitor in parallel with the 4.7 Ohm resistor? Why is this XO so different than the other Monitor 7's & 10's (I'm getting ready to rebuild my 10B's). Did they really change that much from the A's to the B's??Yamaha RX-A2050 AVR (5.0.2); LG OLED77C2 4K TV(4) Polk Monitor 10B's w/SoniCaps, Mills, and RDO-194 tweets (R/L F/R)(2) Polk RC80i (Top Middle)Polk CS300 center channelAnalog: B&O TX2 Turntable, Nakamichi Cassette Deck 1Digital: Pioneer CLD-99 Elite LD, Panasonic DMP-UB900 UHD Blu-RayBedroom: Arylic Up2Stream AMPv3 driving Polk Monitor 4's w/peerless tweets
