PSW202 Primary Transformer
rlsound
Posts: 2
Does anyone have a schematic for how the Primary side of this transformer is wired? Or clear photos of an intact unit? I'm just seeing how the line input, Film capacitor, and various coloured wires were connected together, this unit got everything twisted around.
Thanks.
Thanks.
Answers
-
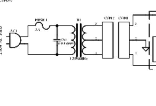
Here is a section of the schematic showing the AC transformer:

-
Yeah that' s what I got, but there are multiple wiring coming off the primary and wondering how to wire it with the cap inline.
-
In all likelihood the multiple wires are there for wiring the transformer to either 110 or 220 volts. For 110 volts the wires are connected in parallel, for 220 volts they are connected in series. Use a volt/ohm meter to identify the continuity of the two pairs. There will probably be two solid colored wires and two wires that are striped, usually one of the solid wires will pair with one of the striped wires and the remaining solid will pair with the remaining striped wire. The resistance should measure very similar on the two pairs.
