Reisong A10 EL34 Hi-Fi Audio Stereo Tube Amplifier
Irrenhaus
Posts: 1,105
in Electronics
Hi,
Got this one during Christmas, I know it is not the greatest but sounds good, but it drives the Linton nice at a bit more than half the volume. I was using the Cambbridge as the source and that is using dual volume knobs which is not great, but I think the Cambridge has a fix output setting, I need to find it. But all sounds good to my ears.

Cheers
Got this one during Christmas, I know it is not the greatest but sounds good, but it drives the Linton nice at a bit more than half the volume. I was using the Cambbridge as the source and that is using dual volume knobs which is not great, but I think the Cambridge has a fix output setting, I need to find it. But all sounds good to my ears.

Cheers
HTAVR-Pioneer SC99XPA-DR3 Differential Reference AmpPolk R-700Rear- RT150Side- RT150Center-CSi5Sub-Rythmik audio F25Player- Panasonic DP-UB9000Projector- Optoma CinemaX P2Screen- Silver Ticket Products STR Series 6 120"Audio Room 2ch rig.Cary AE-3, Onkyo M-504, Marantz SA8005, Azur 851NWharfedale - Linton, SVS SB12-NSDMinis Forum PC (streamer) and Panamax MX5105Headphone rig;Schiit JOTUNHEIM and different headphones.Samsung 42" flat screen TV.
Comments
-
That poor M504 looks a lil beat up. Did you do the LED conversion?--Gary--
Onkyo Integra M504, Bottlehead Foreplay III, Denon SACD, Thiel CS2.3, NHT VT-2, VT-3 and Evolution T6, Infinity RSIIIa, SDA1C and a few dozen other speakers around the house I change in and out. -
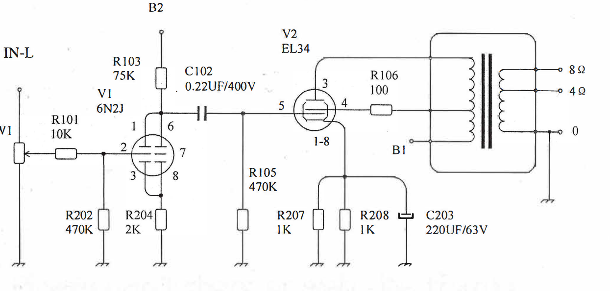
Single-ended EL34 outputs in that amplifier?
Are they wired as triodes or natively as pentodes?
If the latter, does it use single-ended ultralinear output topology?
-
mhardy6647 wrote: »Single-ended EL34 outputs in that amplifier?
Are they wired as triodes or natively as pentodes?
If the latter, does it use single-ended ultralinear output topology?
I have no idea. Will this help.
HTAVR-Pioneer SC99XPA-DR3 Differential Reference AmpPolk R-700Rear- RT150Side- RT150Center-CSi5Sub-Rythmik audio F25Player- Panasonic DP-UB9000Projector- Optoma CinemaX P2Screen- Silver Ticket Products STR Series 6 120"Audio Room 2ch rig.Cary AE-3, Onkyo M-504, Marantz SA8005, Azur 851NWharfedale - Linton, SVS SB12-NSDMinis Forum PC (streamer) and Panamax MX5105Headphone rig;Schiit JOTUNHEIM and different headphones.Samsung 42" flat screen TV. -
mhardy6647 wrote: »Single-ended EL34 outputs in that amplifier?
Are they wired as triodes or natively as pentodes?
If the latter, does it use single-ended ultralinear output topology?
I have no idea. Will this help.
Yup. EL34 Single-ended pentode ultralinear. You can see that 100 ohm feedback resistor from the primary winding of the output transformer, connected to pin 4 (screen grid) of the EL34 power pentode.
Thanks!
Probably about 8 to 10 watts per channel at "hifi" distortion levels (1%).
source: https://www.worldradiohistory.com/BOOKSHELF-ARH/Technology/RCA-Books/RCA-Receiving-Tube-Manual-1965-RC-24.pdf
note: The 'front end' (voltage amplifier) uses a Chinese 6N2J twin triode. This is apparently similar operationally to a 12AX7 but it is not interchangeable with the latter (different heater configuration and pinout). The Russian 6N2P appears to be a drop-in substitute, though, FWIW.
EDIT: 6N2J is a military version of the 6N2.
source: https://frank.yueksel.org/sheets/095/6/6N2.pdf
6.3 volt heater (pins 4 and 5) with no center tap; pin 9 connects to a shield.
Here's the "pinout" (basing) of the 12AX7/ECC83 for comparison.
source: http://www.tubebooks.org/tubedata/HB-3/Receiving_Tubes_Part_2/12AX7-A.PDF
12.6 volt heater with a center tap at pin 9 (allowing one to wire the two triodes' heaters in series or parallel)
Bases are shown from the bottom.
The amp could be rewired to accept 12AX7 instead of the stock tube; it would probably work OK (FWIW), although the power transformer's filament current capability might (??) be an issue.
Post edited by mhardy6647 on
