My deal of the century!
Comments
-
-
When using a vacuum use the air bleed on the handle if so equipped to control the suction. You can tape smaller hoses into the larger vacuum pipe for a smaller surface area.
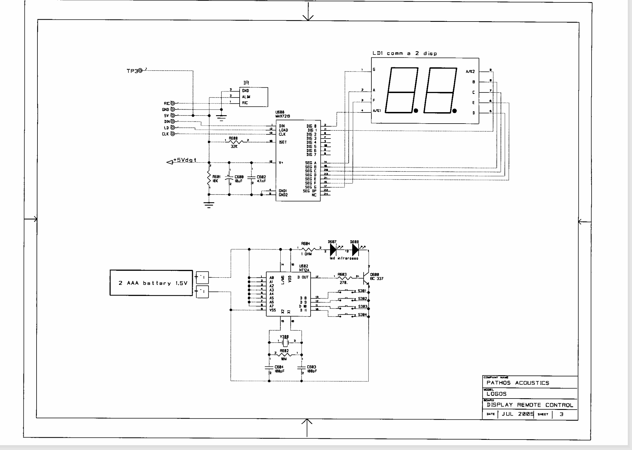
HiFi Engine had a brochure and 17-page service manual. Sent via email. The SM has test point locations, lists voltages, even covers the remote. Very nice.


Salk SoundScape 8's * Audio Research Reference 3 * Bottlehead Eros Phono * Park's Audio Budgie SUT * Krell KSA-250 * Harmonic Technology Pro 9+ * Signature Series Sonore Music Server w/Deux PS * Roon * Gustard R26 DAC / Singxer SU-6 DDC * Heavy Plinth Lenco L75 Idler Drive * AA MG-1 Linear Air Bearing Arm * AT33PTG/II & Denon 103R * Richard Gray 600S * NHT B-12d subs * GIK Acoustic Treatments * Sennheiser HD650 * -
No shop vac, if your regular floor vac has a hose that is what I used. The trick is have the wife flip the switch on/off just that quick.
Honestly I think it will not get any better than that, great job Dan!
Yeah I think it’s as good as it’s going to get. I’m leaving it the way it is for now.SCompRacer wrote: »When using a vacuum use the air bleed on the handle if so equipped to control the suction. You can tape smaller hoses into the larger vacuum pipe for a smaller surface area.
HiFi Engine had a brochure and 17-page service manual. Sent via email. The SM has test point locations, lists voltages, even covers the remote. Very nice.


I’m gonna take a look for sure at the remote schematics as the remote volume is a bit quirky as to how it works and how hard you have to push it to get it to register.
Already swapped out batteries in it so I know it’s not that.
"....not everything that can be counted counts, and not everything that counts can be counted." William Bruce Cameron, Informal Sociology: A Casual Introduction to Sociological Thinking (1963) -
I've had to dismantle and clean old remote contacts. A little DeOxit followed up with 99% iso alcohol.
This was from a Melos SHA Gold headphone amp remote.
Salk SoundScape 8's * Audio Research Reference 3 * Bottlehead Eros Phono * Park's Audio Budgie SUT * Krell KSA-250 * Harmonic Technology Pro 9+ * Signature Series Sonore Music Server w/Deux PS * Roon * Gustard R26 DAC / Singxer SU-6 DDC * Heavy Plinth Lenco L75 Idler Drive * AA MG-1 Linear Air Bearing Arm * AT33PTG/II & Denon 103R * Richard Gray 600S * NHT B-12d subs * GIK Acoustic Treatments * Sennheiser HD650 * -
Nice score!!!
-
New legs came in, so I swapped them out. The original bolts worked but are a bit shorter than I’d like so I may swap them out at Lowe’s tomorrow.
New feet also touch the heatsink which may/may not be a problem. Thoughts on that appreciated.
If I get longer bolts I will get some metal spacers to go between the legs and chassis. They are slightly taller by just a bit but that’s not a bad thing.
Overall 23 bucks v close to 120.
Before
Comparison of old (right) v new (left)


Depth of bolt comparison. In the new foot it’s got a bit more depth as I was holding the foot at an angle to get this shot, but still could be improved.

Heatsink overlap




Final result
"....not everything that can be counted counts, and not everything that counts can be counted." William Bruce Cameron, Informal Sociology: A Casual Introduction to Sociological Thinking (1963) -
Played a bit more with placement with my temp wiring.
The Amp is plugged into one outlet the streamer into one on another wall so the power cables don’t overlap with the speaker wires much/at all.
Speakers are 16” from the sides of the woofer cabinet with slight toe-in.
Crossover and streamer got some rubber spacers added to them, because why not.
Final result.
"....not everything that can be counted counts, and not everything that counts can be counted." William Bruce Cameron, Informal Sociology: A Casual Introduction to Sociological Thinking (1963) -
You could add a large diameter fender washer between the top of the foot and the amp to create an air gap between the foot and the heat sink.Mojo Audio Illuminati v3>>Quantum Byte w/LMS>>Rpi/PiCoreplayer>> Starlight 7 USB >> Mojo Audio Mystique v2 SE>>ModWright SWL 9.0 SE Signature>>Hafler DH-500 Amp+ (Musical Concepts Fully Modded)>>
SRS 2.3TL (Fully Modded)...Velodyne Optimum 8 subwoofer
1KVA Dreadnought
Marantz SA 8005
Pioneer PLX-1000 Turntable - Shure SC35C/N35X - V15III/VN35HE
Yamaha TX-540 Tuner...Sony BDP-S570
Sony PS4
Separate subpanel with four dedicated 20 amp circuits.
1. Amplification 2. Analog 3. Digital 4. Video
"All THAT IS LOST FROM THE SOURCE IS LOST FOREVER" -
You could add a large diameter fender washer between the top of the foot and the amp to create an air gap between the foot and the heat sink.
Pretty sure that’s the route I’m going to take today.
"....not everything that can be counted counts, and not everything that counts can be counted." William Bruce Cameron, Informal Sociology: A Casual Introduction to Sociological Thinking (1963) -
Mill or hacksaw some relief in the footers.

Those are nice footers Dan.Salk SoundScape 8's * Audio Research Reference 3 * Bottlehead Eros Phono * Park's Audio Budgie SUT * Krell KSA-250 * Harmonic Technology Pro 9+ * Signature Series Sonore Music Server w/Deux PS * Roon * Gustard R26 DAC / Singxer SU-6 DDC * Heavy Plinth Lenco L75 Idler Drive * AA MG-1 Linear Air Bearing Arm * AT33PTG/II & Denon 103R * Richard Gray 600S * NHT B-12d subs * GIK Acoustic Treatments * Sennheiser HD650 * -
SCompRacer wrote: »Mill or hacksaw some relief in the footers.

Those are nice footers Dan.
Spacers are easier lol.
Lowes had only standard sized for what I needed and I want to stick with metric so to Amazon I go.

Options for standard



"....not everything that can be counted counts, and not everything that counts can be counted." William Bruce Cameron, Informal Sociology: A Casual Introduction to Sociological Thinking (1963) -
A bastage file!


Salk SoundScape 8's * Audio Research Reference 3 * Bottlehead Eros Phono * Park's Audio Budgie SUT * Krell KSA-250 * Harmonic Technology Pro 9+ * Signature Series Sonore Music Server w/Deux PS * Roon * Gustard R26 DAC / Singxer SU-6 DDC * Heavy Plinth Lenco L75 Idler Drive * AA MG-1 Linear Air Bearing Arm * AT33PTG/II & Denon 103R * Richard Gray 600S * NHT B-12d subs * GIK Acoustic Treatments * Sennheiser HD650 * -
If you have an ACE hardware nearby they have a much better selection then Lowes or Home Depot.2 Channel
Pre: Bryston BR20
Amp: Buckeye NCx500
Speakers: Polk L200
Source: Oppo UDP-205, Bryston BDP-3, Bryston BCD-3, Apple TV, Amazon Fire
Cables: Wireworld Gold Eclipse 7 Speaker, Wireworld Gold Eclipse 7 XLR, AQ Diamond USB/HDMI
Power: PS Audio P10 Regenerator, AC12, AC10 and AC5 Cables
Display: Sony XBR65Z9F
Home Theater
Pre: Anthem AVM90
Amps: Buckeye NC502
Speakers: Polk LSiM 707 (FL/FR), Polk LSiM706 (Center), LSiM 703 (SL/SR/SBL/SBR), Polk 900-LS (Atmos)
Subwoofers: SVS SB16 x 4
Source: Oppo UDP-205, Apple TV, Amazon Fire
Cables: AQ Meteor/Rocket 88, AQ Niagara/Sky
Power: Torus AVR20, Shunyata Denali, Shunyata Delta, Cullen, PangeaAC9SE Cables
Display: Sony XBR85Z9G -
The Gear... Carver "Statement" Mono-blocks, Mcintosh C2800 Arcam AVR20, Oppo UDP-203 4K Blu-ray player, Sony XBR70x850B 4k, Polk Audio Legend L800 with height modules, L400 Center Channel Polk audio AB800 "in-wall" surrounds. Marantz MM7025 stereo amp. Simaudio Moon MiND2 Shunyata Triton
“When once a Republic is corrupted, there is no possibility of remedying any of the growing evils but by removing the corruption and restoring its lost principles; every other correction is either useless or a new evil.”— Thomas Jefferson
How many flies need to be buzzing a dead horse before you guys stop beating it? -
If you have an ACE hardware nearby they have a much better selection then Lowes or Home Depot.
Yeah I was thinking about checking there. Will hit them up after work.
"....not everything that can be counted counts, and not everything that counts can be counted." William Bruce Cameron, Informal Sociology: A Casual Introduction to Sociological Thinking (1963) -
EndersShadow wrote: »
Thank you @sgmsmg for the suggestion. I was shocked how much better stocked ACE was.
Got just what I needed and had a ton of options to choose from. Ended up going with neoprene washer to space it and got two sizes of bolts but the shorter one worked just fine.
The washer was a PERFECT fit for the foot as it was identical in size to the raised area on the plastic foot.
Attached to the new foot


Before the spacer
After

Also heard some rattling around inside so popped the top to find a small nut that was floating around. No ideas what it went to but removed it before it connected things that shouldn’t be connected lol.
Some interior shots because I likely won’t open this again.


Post edited by EndersShadow on"....not everything that can be counted counts, and not everything that counts can be counted." William Bruce Cameron, Informal Sociology: A Casual Introduction to Sociological Thinking (1963) -
It looks like you read my mind and put a rubber/foam washer between the chassis and the new feet. For this purpose, I think that is the best choice. Nice deal. Those original feet were not worth the asking price from Italy. They probably cost the company $5-$10 for a set and the rest was markup.
Cool story all around, but I was confused...the person gave you the amp and DAC along with the free speakers? I would have expected they would want some cash for the amp at least. If it was all a free haul, that was very generous of them.
-
Cool story all around, but I was confused...the person gave you the amp and DAC along with the free speakers? I would have expected they would want some cash for the amp at least. If it was all a free haul, that was very generous of them.
Yup all was free. I didn’t come expecting anything other than the speakers so it was a shock for me as well.
He even shipped the DAC after the fact, still getting nothing. I obviously paid for shipping and materials cost, but still.Those original feet were not worth the asking price from Italy. They probably cost the company $5-$10 for a set and the rest was markup.
Yeah the price per foot they quoted was 11 per (so 45ish), then that same amount for freight shipping from Italy to CA, then add the distributors shipping to me lol….It looks like you read my mind and put a rubber/foam washer between the chassis and the new feet. For this purpose, I think that is the best choice.
Yup worked out well and you don’t even notice the neoprene washer."....not everything that can be counted counts, and not everything that counts can be counted." William Bruce Cameron, Informal Sociology: A Casual Introduction to Sociological Thinking (1963) -
That was the magic nut you removed.Political Correctness'.........defined
"A doctrine fostered by a delusional, illogical minority and rabidly promoted by an unscrupulous mainstream media, which holds forth the proposition that it is entirely possible to pick up a t-u-r-d by the clean end."
President of Club Polk -
That was the magic nut you removed.
All my responses to this would get me banned lol….
So I will just say there are sooo many jokes to make off that."....not everything that can be counted counts, and not everything that counts can be counted." William Bruce Cameron, Informal Sociology: A Casual Introduction to Sociological Thinking (1963) -
And here I thought he busted a nut…The Gear... Carver "Statement" Mono-blocks, Mcintosh C2800 Arcam AVR20, Oppo UDP-203 4K Blu-ray player, Sony XBR70x850B 4k, Polk Audio Legend L800 with height modules, L400 Center Channel Polk audio AB800 "in-wall" surrounds. Marantz MM7025 stereo amp. Simaudio Moon MiND2 Shunyata Triton
“When once a Republic is corrupted, there is no possibility of remedying any of the growing evils but by removing the corruption and restoring its lost principles; every other correction is either useless or a new evil.”— Thomas Jefferson
How many flies need to be buzzing a dead horse before you guys stop beating it? -
Perhaps its just me. But i think if I were given a piece of gear like that....I would buy the original feet from the manufacturer.--Gary--
Onkyo Integra M504, Bottlehead Foreplay III, Denon SACD, Thiel CS2.3, NHT VT-2, VT-3 and Evolution T6, Infinity RSIIIa, SDA1C and a few dozen other speakers around the house I change in and out. -
Perhaps its just me. But i think if I were given a piece of gear like that....I would buy the original feet from the manufacturer.
They didn't seem to be of any special quality from the photos. Just plastic with a chrome/stainless outer cover. I don't think he's going for a museum piece here. It's an upgrade if anything. -
Those original feet are basic junk.Political Correctness'.........defined
"A doctrine fostered by a delusional, illogical minority and rabidly promoted by an unscrupulous mainstream media, which holds forth the proposition that it is entirely possible to pick up a t-u-r-d by the clean end."
President of Club Polk -
My HiFi2000 chassis from Italy got stuck in customs over piede antivibrante (antivibration feet) and involucro elettronico (electronics enclosure). I had to convince them it was just a DIY DAC chassis. I may be on a watch list.Salk SoundScape 8's * Audio Research Reference 3 * Bottlehead Eros Phono * Park's Audio Budgie SUT * Krell KSA-250 * Harmonic Technology Pro 9+ * Signature Series Sonore Music Server w/Deux PS * Roon * Gustard R26 DAC / Singxer SU-6 DDC * Heavy Plinth Lenco L75 Idler Drive * AA MG-1 Linear Air Bearing Arm * AT33PTG/II & Denon 103R * Richard Gray 600S * NHT B-12d subs * GIK Acoustic Treatments * Sennheiser HD650 *
-
Perhaps its just me. But i think if I were given a piece of gear like that....I would buy the original feet from the manufacturer.
They didn't seem to be of any special quality from the photos. Just plastic with a chrome/stainless outer cover. I don't think he's going for a museum piece here. It's an upgrade if anything.Those original feet are basic junk.
Correct. The originals are plastic. The new ones that I’d get would be metal.
I may eventually get the correct feet since it also appears I am missing the tube dampers from up front.
"....not everything that can be counted counts, and not everything that counts can be counted." William Bruce Cameron, Informal Sociology: A Casual Introduction to Sociological Thinking (1963) -
EndersShadow wrote: »Perhaps its just me. But i think if I were given a piece of gear like that....I would buy the original feet from the manufacturer.
They didn't seem to be of any special quality from the photos. Just plastic with a chrome/stainless outer cover. I don't think he's going for a museum piece here. It's an upgrade if anything.Those original feet are basic junk.
Correct. The originals are plastic. The new ones that I’d get would be metal.
I may eventually get the correct feet since it also appears I am missing the tube dampers from up front.
Before you spend $$ for those original tube dampeners up front, they appear to be just a cage to protect the tubes from wandering hands, tails, etc. They don't actually touch the tubes, so they probably won't have much sonic effect. My LSA amp had those and it really just made it harder to swap tubes. If you want something that will actually affect the sound, get some real dampeners from Herbie's or similar. -
I've bought both the cooling dampers and Herbie's, they both reside in my junk drawer now.
-
Same here, seemed to suck the life out of the music.Yep, my name really is Bob.
Parasound HCA1500A(indoor sound) and HCA1000(outdoor sound), Dynaco PAS4, Denon DP1200 w/Shure V15 Type V and Jico SAS stylus, Marantz UD7007, Polk L600, Rythmik L12 sub. -
Good to know. Might want em just to have because but prob in the same realm as the OEM feet"....not everything that can be counted counts, and not everything that counts can be counted." William Bruce Cameron, Informal Sociology: A Casual Introduction to Sociological Thinking (1963)






https://youtu.be/UDIcmmtS_O4?si=YJOpZLI4VtJULc_0



