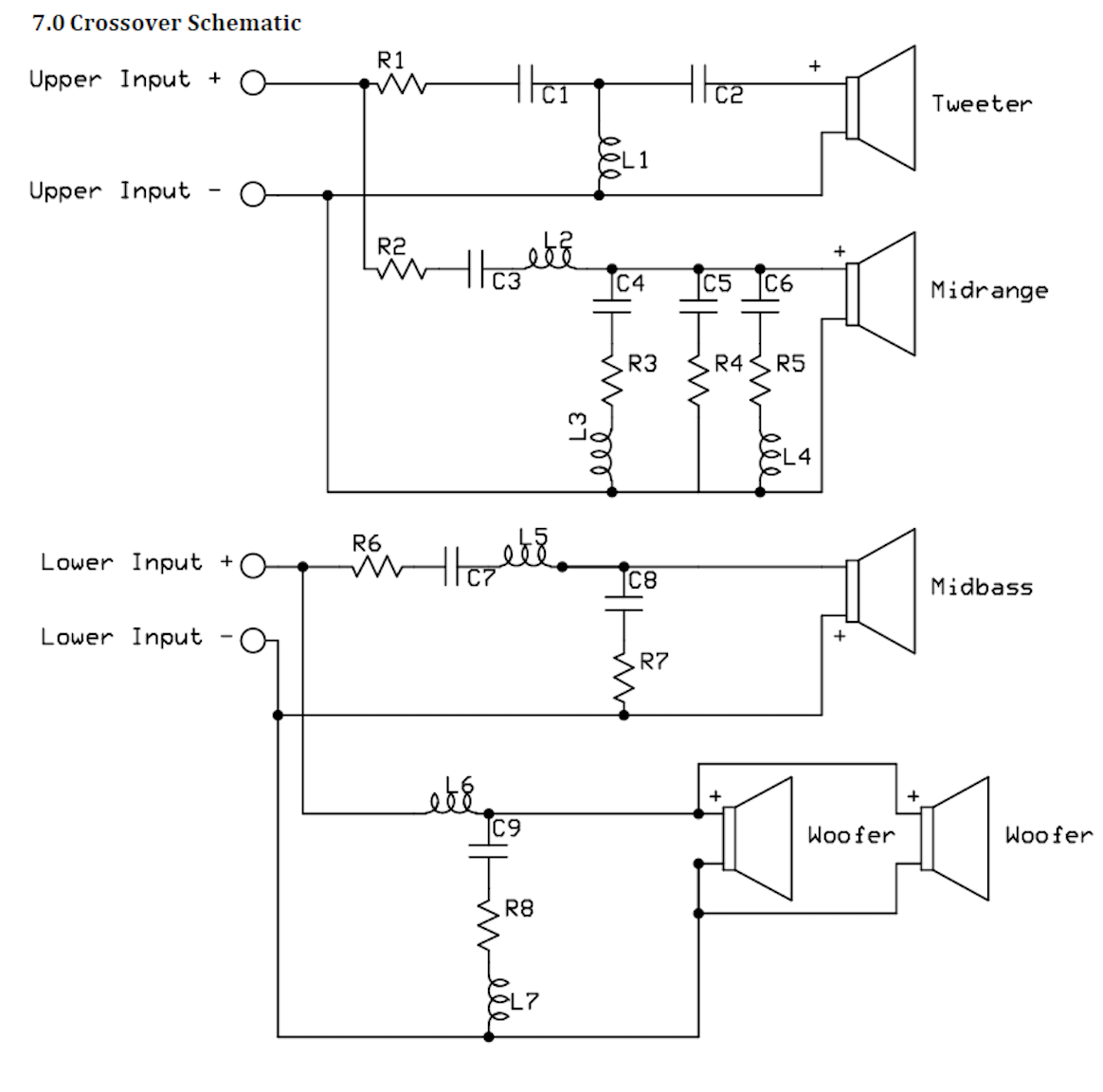
Polk LSiM 706C crossover diagram and mods
zvucnik
Posts: 50
I searched but could not find 706C crossover diagram/schematic or anyone that has modified it's crossover.
best images of the crossover I was able to find, looks different than lsim703 crossover?
anyone has XO diagram?



best images of the crossover I was able to find, looks different than lsim703 crossover?
anyone has XO diagram?



Comments
-
What do you need a schematic for? The values are printed on the components.Political Correctness'.........defined
"A doctrine fostered by a delusional, illogical minority and rabidly promoted by an unscrupulous mainstream media, which holds forth the proposition that it is entirely possible to pick up a t-u-r-d by the clean end."
President of Club Polk -
diagram of connections would be helpful to see which components are in direct signal path for tweeter and mid.
-
-
thank you!
interesting how they put C2 poly and C3 electrolytic in parallel, wonder why they did that?
why not just use 30uF poly cap? -
why not just use 30uF poly cap?
Easy, COST. -
why not just use 30uF poly cap?
Easy, COST.
Yep and space... You will find this a very difficult line to work on- Not Tom ::::::: Any system can play Diana Krall. Only the best can play Limp Bizkit. -
plenty of space on the 706 XO board, 706C >> than 703 space wise and they actually used 22uF MPT cap on 703 XO but is series rather than in parallel, so in 706 case having MPT in parallel offsets some of the downside of having electrolytic in direct path to tweeter...does look like a cost saving measure...
-
very interesting video about XO components interference
https://www.youtube.com/watch?v=-5ArIR_V8oA -
Surgery underway

new caps, had to relocate 100uF midrange cap
back in the cabinet
played center as right speaker and it does sound much smoother and clean, some of the roughness I was noticing before in the mids and highs is gone
also added 0.01uF CD bypass on the tweeter based on the Tony humble hifi suggestion.
AJ towers next
new caps, will also have to relocate 75uF midrange cap but room and access are not problem.
-
Bypass caps suck!!!
"So why use a bypass at all? There are actually components of very high frequencies in some audio waveforms. Some are high order harmonics. If you think of a square wave, the right angles at the top of the wave are extremely high in frequency. Sometimes there are high frequency components in very fast audio sounds, for example, the instantaneous tap of a drum stick on a cymbal. These are the sounds that should be "helped" by including a small-value bypass capacitor in a high pass crossover.
Well, I don't think so. If the 8 µF capacitor blocks frequencies below 5000 Hz and passes frequencies above 5000 Hz, why do we need what is actually another crossover for the same tweeter, but operating at frequencies already passed by the big cap? I am sure engineers have a very good reason, and a couple of them have tried to educate me on this subject. I respect the science and electrical theory on this subject, and my technical background helps me to understand it fairly well. But there is one small problem: the bypasses all sound bad! They add a quality that at first sounds like an increase in air and detail, but after a couple of hours becomes an intrusive harshness and discontinuity in the upper treble. Remove the bypass: all of the detail is present but without that grating and annoying sound. The high frequencies are cleaner, smoother, and much more enjoyable. It doesn't matter if the bypass cap is Teflon®, polystyrene, or common polypropylene, the results are very similar. And to be avoided"
Political Correctness'.........defined
"A doctrine fostered by a delusional, illogical minority and rabidly promoted by an unscrupulous mainstream media, which holds forth the proposition that it is entirely possible to pick up a t-u-r-d by the clean end."
President of Club Polk -
I felt that way a long time until I tried duelund copper foil bypass caps.
They truly sound great- Not Tom ::::::: Any system can play Diana Krall. Only the best can play Limp Bizkit. -
how we hear and perceive sound is very subjective...theory also states that any 8uF cap will sound the same...but it doesn't...
-
how we hear and perceive sound is very subjective...theory also states that any 8uF cap will sound the same...but it doesn't...
The justification to use a film bypass cap is to improve the performance of an inferior electrolytic cap and there is some logic behind that. However, when using film caps there is absolutely no justification to improve the already superior film cap. It results in artifacts that at first sounds kind of cool, but in short order becomes annoying as hell when one realizes it's extremely unnatural.
It's the one thing I disagree with Tony Gee about. He's pretty much spot on with his other observations.Political Correctness'.........defined
"A doctrine fostered by a delusional, illogical minority and rabidly promoted by an unscrupulous mainstream media, which holds forth the proposition that it is entirely possible to pick up a t-u-r-d by the clean end."
President of Club Polk -
been listening to recapped speakers for few days now, do not hear any odd artifacts or any other negative effects from bypass. just more clarity, openness and detail in sound
-
been listening to recapped speakers for few days now, do not hear any odd artifacts or any other negative effects from bypass. just more clarity, openness and detail in sound
Hopefully you never will, that being said caps can take 200-500 hours to completely settle in. When I recapped my 2.3tl's for the first 200 hours they sounded really good and really bad. Some days they'd sound so bad I thought for sure one of them was bad. 😉 -
been listening to recapped speakers for few days now, do not hear any odd artifacts or any other negative effects from bypass. just more clarity, openness and detail in sound
The artifacts are an unnatural air/openness that is not present in a live performance. That effect is present in every song you play, which is another indication it is unnatural.Political Correctness'.........defined
"A doctrine fostered by a delusional, illogical minority and rabidly promoted by an unscrupulous mainstream media, which holds forth the proposition that it is entirely possible to pick up a t-u-r-d by the clean end."
President of Club Polk -
To make 7.5 I had to combine 4.7 and 2.7; to make 75 uF I had to combine 68 and 6.8, to make 29.5uF I combined two 15s.... Even original 706C had 7.5 and 22 in parallel/bypass mode...so technically all of these are in bypass configuration.
Most of the music listened today is recorded then mixed in studio to sound certain way. The only way to listen to live performance is to go to one and even them you are listening what ever equipment they use at the venue....
At the end of the day it only matters what sounds good to your pair of ears. It is easy enough to cut one of the leads on CD bypass cap if I end up not liking it.
-
That big cap needs to be secured by more then hot glue. If you ever ship the speaker thst will become a giant wrecking ball- Not Tom ::::::: Any system can play Diana Krall. Only the best can play Limp Bizkit.
-
That big cap needs to be secured by more then hot glue. If you ever ship the speaker thst will become a giant wrecking ball
yeah I thought about that, but these are not getting shipped anywhere :-).
might add something like this to secure it better:
-
HilariousTo make 7.5 I had to combine 4.7 and 2.7; to make 75 uF I had to combine 68 and 6.8, to make 29.5uF I combined two 15s.... Even original 706C had 7.5 and 22 in parallel/bypass mode...so technically all of these are in bypass configuration.
Most of the music listened today is recorded then mixed in studio to sound certain way. The only way to listen to live performance is to go to one and even them you are listening what ever equipment they use at the venue....
At the end of the day it only matters what sounds good to your pair of ears. It is easy enough to cut one of the leads on CD bypass cap if I end up not liking it.
Political Correctness'.........defined
"A doctrine fostered by a delusional, illogical minority and rabidly promoted by an unscrupulous mainstream media, which holds forth the proposition that it is entirely possible to pick up a t-u-r-d by the clean end."
President of Club Polk -
I'm just going to say it again, strap it down. Hot glue doesn't really adhere well too smooth finishes like a cap.
It will fall and destroy everything in the speaker.
Do it right, do it once- Not Tom ::::::: Any system can play Diana Krall. Only the best can play Limp Bizkit. -
I've never seen black hot glue, is there? That might be RTV or similar, either way I agree the cap needs better containment.
-
Yes they make it in black- Not Tom ::::::: Any system can play Diana Krall. Only the best can play Limp Bizkit.
-
it is regular clear hot glue. lighting, black cap plus wood on which is sitting make it look dark
-
Recently I scored pair of LSIM 705 locally. They sound nice!
Now my front stage features all LSIM line up
Anyone has 705 crossover schematic? -






