Amplifier on a budget
Comments
-
Grabber70Mach wrote: »@billbillw Thanks. Was hoping to check it out today but so far the seller hasn't gotten back to me.
Unfortunately, that most likely means the seller has been swamped with responses and it's already been "dibbed" by someone ahead of you. It was a low price for all three. -
We were talking about checking DC offset, not common ground. The NAD C372 is undoubtedly a common ground design. I think the seller was confused because NAD doesn't give a grounded plug. It is a floating ground, but it is still common ground. -
We were talking about checking DC offset, not common ground. The NAD C372 is undoubtedly a common ground design. I think the seller was confused because NAD doesn't give a grounded plug. It is a floating ground, but it is still common ground.
Gotcha, I must have skipped over a post or two. -
Grabber70Mach wrote: »@billbillw Thanks. Was hoping to check it out today but so far the seller hasn't gotten back to me.
Unfortunately, that most likely means the seller has been swamped with responses and it's already been "dibbed" by someone ahead of you. It was a low price for all three.
Unfortunately I have to agree with you. He never responded back, then it showed pending and now it's been removed.
Oh well I guess it's on to the next possibility.
Keeping an eye on a Madrigal Proceed Amp-2 that's close to me. Also a McIntosh 2100 but they are both a bit too pricey for me at this time. Plus I'd need to add a pre-amp for either one and that's another cost. There's also a
Carver Power Amplifier TFM-35 and preamp tuner CT-3 for 450.00 that's local.
Still debating about hooking them up to my Reisong ( BoyuuRange ) MT-34 Mk2 el34 Tubed Integrated Amplifier for the time being. I don't think it would hurt the amp or speakers. Thoughts? -
I can't help you with tube amp stuff. I've avoided learning much of anything about them

Buying an amp can be like a gauntlet of sifting through ads and seemingly wasting time researching models, but eventually you will recognize a good/great deal as soon as you see it and will be able to respond directly to the seller instead of having to ask us. It takes patience sometimes but there are deals to be found. In general, I'd say you want a class A/B amp with at least 130wpc and high current capability (you can often tell by the size of the transformer and filter caps if it is high current capable). Google is your friend to find out if an amp is reliable or not. If you see dozens of different thread posts talking about amp repairs for a model on DIYAudio.com or at AudioKarma, then it might be something to avoid. -
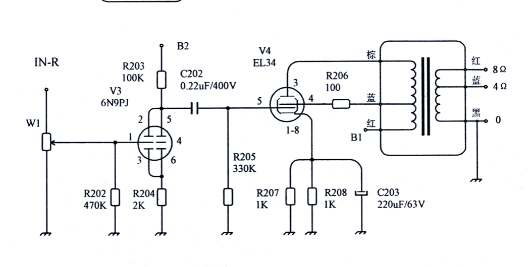
After a bit of an online search this is probably the schematic for the output stage of your amplifier:

It shows the "0" terminal to be connected to ground so it should be fine with the SDA speakers connected. Of course to be sure, connect the amp up to both speakers without the SDA cable attached. Use a volt/ohm meter set to read AC voltage. With music playing touch one probe to the negative speaker terminal, labeled "0" and the other probe to any grounding point, such as the shield side of the input RCA plug. There should be 0 volts on the meter, now touch the first probe to the speaker terminal marked "4 ohms" and there should be numbers displayed going up and down in value. This means that the SDA connection will not short out the amplifier since there is no voltage being generated at the "0" terminal, it is at the same potential as any ground point in the amp. -
I agree, FWIW, with @SeleniumFalcon's assessment.
For the record, the seemingly trivially simple notion of "ground"... isn't.
Generally, a schematic will show the nature of the signal return/"ground" for signal vs. "earth" and/or the chassis of the component. The latter "should be"
at 'true' (earth) ground, but it also might "float".
https://www.ni.com/en/support/documentation/supplemental/18/chassis--earth-and-signal-grounding--terminology-and-symbols.html?srsltid=AfmBOorza0ZHl1286sswJ3cqlq_d1BWI4b3Fm13LLcF8CQs5nAs2tLEE
"Pro" sound reinforcement "guys" (ahem, people) need to live or die by this stuff... unfortunately, particularly in times past, literally.
-
@SeleniumFalcon @mhardy6647 Thanks for the answers, explanations and clarifications.
-

I noticed something interesting about this amplifier, notice the two parallel resistors R207 and R208 which are cathode resistors. Why not use a single 500 ohm resistor? It would give the same value and be one less part needed. I thought about this and believe it is done to reduce heat, each resistor will conduct 1/2 the current improving long term reliability. A second reason is that higher wattage 1 k ohm resistors are more common and thus less expensive than 500 ohm resistors. A third possibility is that parallel resistors have slightly less thermal noise than single resistors. This is why super low noise preamps will use lots and lots of parallel resistors. There is also the parallel bypass capacitor C203 and having the two resistors in parallel will slightly lower the ESR.
It's the little things.

