AR9’s are Awesome!
JayMX
Posts: 460
So a friend approached me a while ago about updating his AR9’s. I agreed before realizing how massive the beasts are. 130lbs each 5’ tall. Monsters. They almost filled the bed of my Tacoma.
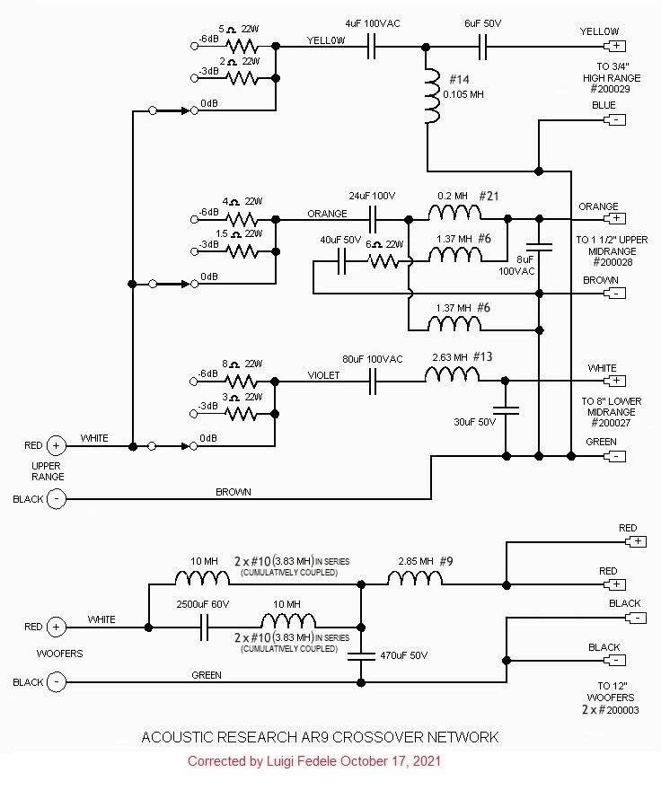
I popped a woofer and saw that the low frequency 470 and 2500uF caps were literally the size of coke cans, no exaggeration. Three of them tested bad zero capacitance. Lots of new electrolytics in parallel later with Clarity bypass films and some Clarity for the 8” midwoofers and the low end was done.
The high frequency sections of the crossovers were glued in and had to be pried out, I broke the boards in the process. So I built new boards for those sections. I lined the backs of them with gasket material and built an alignment jig that allowed me to drill holes to mount the boards with screws and hurricane nuts. I veneered the terminal recess with walnut and did some of the Bennic HG posts from Madisound, I really like those. All new Clarity caps for the HF section.
He didn’t want to replace internal wiring so I didn’t go that far, but after all was said and done, holy cow. Resolution is off the charts. Silky smooth from top to bottom. Biamped, they really performed well. The low frequency section benefited from more grunt - I used a 555ii for that and a Music Hall integrated at 50wpc for the top end during testing. Really a fun project, but A LOT of work. He is happy and now, on to the next project…
















I popped a woofer and saw that the low frequency 470 and 2500uF caps were literally the size of coke cans, no exaggeration. Three of them tested bad zero capacitance. Lots of new electrolytics in parallel later with Clarity bypass films and some Clarity for the 8” midwoofers and the low end was done.
The high frequency sections of the crossovers were glued in and had to be pried out, I broke the boards in the process. So I built new boards for those sections. I lined the backs of them with gasket material and built an alignment jig that allowed me to drill holes to mount the boards with screws and hurricane nuts. I veneered the terminal recess with walnut and did some of the Bennic HG posts from Madisound, I really like those. All new Clarity caps for the HF section.
He didn’t want to replace internal wiring so I didn’t go that far, but after all was said and done, holy cow. Resolution is off the charts. Silky smooth from top to bottom. Biamped, they really performed well. The low frequency section benefited from more grunt - I used a 555ii for that and a Music Hall integrated at 50wpc for the top end during testing. Really a fun project, but A LOT of work. He is happy and now, on to the next project…
















Current Collection: Monitor 4a (Peerless), Modified Monitor 7b (Peerless), RTA15TL (SL3000), Full mod SDA CRS 4.1TL (198’s), SDA SRS 2.3TL (198’s), R100's, R200’s, R300 🤩
Comments
-
Nice work and yes, they are awesome sounding speakers.Political Correctness'.........defined
"A doctrine fostered by a delusional, illogical minority and rabidly promoted by an unscrupulous mainstream media, which holds forth the proposition that it is entirely possible to pick up a t-u-r-d by the clean end."
President of Club Polk -
Nice work! These are one of those speakers that have alluded me all my life, but they are constantly getting high praise. I didn't realize they were as big as they actually are. One of these days, I'd like to get my ears on a set.
They look great in their final listening spot!
Tom~ In search of accurate reproduction of music. Real sound is my reference and while perfection may not be attainable? If I chase it, I might just catch excellence. ~ -
Heard a set of these at Lous and they definitely were well ahead of their time.- Not Tom ::::::: Any system can play Diana Krall. Only the best can play Limp Bizkit.
-
Very nice!
-
Great job! There may be another pair of these floating around soon...
-
When I was in college, I was walking with a buddy when we heard what we thought was a live band. We got closer and couldn’t figure out what was going on. There were a bunch of people hanging around a business but we couldn’t see a band. We approached the business and realized it was a stereo salon. They were auditioning the AR9’s outside, playing Deep Purple Made In Japan, IIRC, which had just been released. I was floored. I had never heard a more realistic speaker.
-
There's a guy locally that has a pair that were refoamed for sale for $700.Gustard X26 Pro DAC
Belles 21A Pre Upgraded with Mundorf Supremes
B&K M200 Sonata monoblocks refreshed and upgraded
Polk SDA 1C's modded / 1000Va Dreadnaught
Wireworld Silver Eclipse IC's and speaker cables
Harman Kardon T65C w/Grado Gold. (Don't laugh. It sounds great!)
There is about a 5% genetic difference between apes and men …but that difference is the difference between throwing your own poo when you are annoyed …and Einstein, Shakespeare and Miss January. by Dr. Sardonicus -
I wish that I'd hung on to mine......see them from time to time but the prices they command is ridiculous....I plan for the future. - F1Nut
-
You did a beautiful job on those networks. I would have never tried to pull that fiberboard out like that though. Not me. They say if you are scared say scared... scared. I knew I would break em so I rebuilt mine in cab. Your pictures are great too. I am happy they sound good to you guys. Cant say the same for mine. Sold mine and was real glad to get 1,400.00 for them. They were in excellent plus shape now but no matter what I did I just could not get over the mid range. Just did not care for them enough to keep them. SDA-SRS2 even my SDA-2B's I like better. I know, I know, the AR-9's should walk them. Not at my house. All of the speakers were restored with high quality components too. The AR's bass was something else now let me say that. They were like thunder but no matter the amplifier or pre amplifier, Krell, B&K, Adcom Bi-Amp, Bi-wire no matter what the mids got on my ears. I just never really liked them. Best they ever sounded were with the CJ PV 6 and The Krell KSA-150 and I still would take my SDA 2B's and a B&K EX-442 over that set up.
-
You did a beautiful job on those networks. I would have never tried to pull that fiberboard out like that though. Not me. They say if you are scared say scared... scared. I knew I would break em so I rebuilt mine in cab. Your pictures are great too. I am happy they sound good to you guys. Cant say the same for mine. Sold mine and was real glad to get 1,400.00 for them. They were in excellent plus shape now but no matter what I did I just could not get over the mid range. Just did not care for them enough to keep them. SDA-SRS2 even my SDA-2B's I like better. I know, I know, the AR-9's should walk them. Not at my house. All of the speakers were restored with high quality components too. The AR's bass was something else now let me say that. They were like thunder but no matter the amplifier or pre amplifier, Krell, B&K, Adcom Bi-Amp, Bi-wire no matter what the mids got on my ears. I just never really liked them. Best they ever sounded were with the CJ PV 6 and The Krell KSA-150 and I still would take my SDA 2B's and a B&K EX-442 over that set up.
Agreed! For as impressive as they were, I was glad they didn’t belong to me. Didn’t make me sad to see them go. They were really impressive, excellent when loud, but I still prefer my 2.3TL’s and even my CRS+’s over the AR’s. SDA is magical.Current Collection: Monitor 4a (Peerless), Modified Monitor 7b (Peerless), RTA15TL (SL3000), Full mod SDA CRS 4.1TL (198’s), SDA SRS 2.3TL (198’s), R100's, R200’s, R300 🤩








