Is there any good reason to run a sub off of a trigger?
afterburnt
Posts: 7,892
in Speakers
I had my sub triggered but now the new on in that back of the room is on auto and only plays when it wants to. I hooked up the solo sub to a trigger just because I had a cable and an out available.
Comments
-
I assume triggered means it's provided a 12 or 120 volt turn-on signal from a preamp or sequencer as opposed to using a built-in auto on sensor. Is that correct?
I've had rotten luck with the auto on feature of several powered subs, especially the PSB Subsonic 2i in my son's system which is extremely sensitive to any electrical noise on the AC line. So I plugged it in to a HD power strip that's easier to access until I can track down and eliminate the real problem.
On my main system I use a 4 stage Furman PS-8R Series II sequencer to power up my preamp (stage 1), crossover and tube gear (stage 2), sources (stage 3), and a home made remote 2 circuit/2 stage amp sequencer (stage 4). Now one switch turns on everything and 2 switches shut everything down (in reverse order).
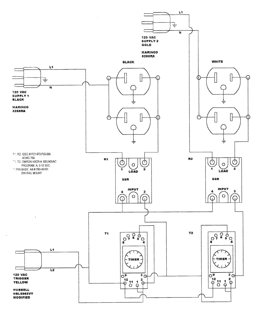
Here is a schematic and some pix of the amp sequencer:



Main System
Carver Gear: C-11 (refit & modded, w/balanced outs), M-500 (refit), M-500t(x2) (refit), M-1.0t (refit & upgraded), SD/A 490t, TX-11b
Other Electronics: Behringer CX3400, Behringer FBQ3102, Furman PS-8R-II, Nikko NPS-1, Teac C-3RX, Technics SL-D303
Speakers: Legacy Audio Custom Super Satellites (new drivers & bi-ampable XOs), Legacy Audio Custom Subwoofers
Carver Office System: C-2 (refit & modded, w/balanced outs), DTL-50, M-200t, TX-2, Musical Fidelity X-10D, Design Acoustics DA-30 (DA-20LF sub w/4 DA-10 satellites)
Workshop System: Carver MXR-130 receiver, Carver DTL-50 CDP, Design Acoustics DA-30 (DA-20LF sub w/2 DA-10 satellites)
Son's System: Carver CT-7, Carver DTL-200MK2, Carver M-1.5t (refit), Hitachi PS-38 (TT), Polk SDA-SRS 1.2tl, Klipsch KG2.5, PSB Century Subsonic 2i powered sub
Not In Use or Need Repair: Denon DCM-35 (CDC), Teac X10R (RTR), Technics SL-1200MK1 (TT), Yamaha CDX-820 (CDP) -
Correct I had a trigger cable to the front sub but I dont think I can run one from the rear sub unless I can split the one trigger out from the AVR and get like a 40' cable to hook up the rear sub. I cant daisy chain of of my amps because it induces a terrible hum in the sub.
-
The trigger is mainly a powersaving feature so your sub's amp isnt sucking ANY juice when your AVR is off...
I wouldn't worry about it....."....not everything that can be counted counts, and not everything that counts can be counted." William Bruce Cameron, Informal Sociology: A Casual Introduction to Sociological Thinking (1963) -
Thanks anyone know where to get a 40 footer?
-
The relay only needs to see about 8 volts to trigger so 40' is probably doable. And cloning the trigger to control 2 subs shouldn't be a problem. To test that string together several speaker, microphone or guitar cables, or 2 use spools of bell wire and alligator clips.
If that doesn't work you could rewire the AC receptacle that feeds the remote sub so it is can be controlled by a wall switch that you can reach.
Main System
Carver Gear: C-11 (refit & modded, w/balanced outs), M-500 (refit), M-500t(x2) (refit), M-1.0t (refit & upgraded), SD/A 490t, TX-11b
Other Electronics: Behringer CX3400, Behringer FBQ3102, Furman PS-8R-II, Nikko NPS-1, Teac C-3RX, Technics SL-D303
Speakers: Legacy Audio Custom Super Satellites (new drivers & bi-ampable XOs), Legacy Audio Custom Subwoofers
Carver Office System: C-2 (refit & modded, w/balanced outs), DTL-50, M-200t, TX-2, Musical Fidelity X-10D, Design Acoustics DA-30 (DA-20LF sub w/4 DA-10 satellites)
Workshop System: Carver MXR-130 receiver, Carver DTL-50 CDP, Design Acoustics DA-30 (DA-20LF sub w/2 DA-10 satellites)
Son's System: Carver CT-7, Carver DTL-200MK2, Carver M-1.5t (refit), Hitachi PS-38 (TT), Polk SDA-SRS 1.2tl, Klipsch KG2.5, PSB Century Subsonic 2i powered sub
Not In Use or Need Repair: Denon DCM-35 (CDC), Teac X10R (RTR), Technics SL-1200MK1 (TT), Yamaha CDX-820 (CDP) -
Standard 1/8 mini plugs? If so make your own or pick up a 50' headphone extension and Y-adapter at Monoprice.afterburnt wrote: »Thanks anyone know where to get a 40 footer?
Main System
Carver Gear: C-11 (refit & modded, w/balanced outs), M-500 (refit), M-500t(x2) (refit), M-1.0t (refit & upgraded), SD/A 490t, TX-11b
Other Electronics: Behringer CX3400, Behringer FBQ3102, Furman PS-8R-II, Nikko NPS-1, Teac C-3RX, Technics SL-D303
Speakers: Legacy Audio Custom Super Satellites (new drivers & bi-ampable XOs), Legacy Audio Custom Subwoofers
Carver Office System: C-2 (refit & modded, w/balanced outs), DTL-50, M-200t, TX-2, Musical Fidelity X-10D, Design Acoustics DA-30 (DA-20LF sub w/4 DA-10 satellites)
Workshop System: Carver MXR-130 receiver, Carver DTL-50 CDP, Design Acoustics DA-30 (DA-20LF sub w/2 DA-10 satellites)
Son's System: Carver CT-7, Carver DTL-200MK2, Carver M-1.5t (refit), Hitachi PS-38 (TT), Polk SDA-SRS 1.2tl, Klipsch KG2.5, PSB Century Subsonic 2i powered sub
Not In Use or Need Repair: Denon DCM-35 (CDC), Teac X10R (RTR), Technics SL-1200MK1 (TT), Yamaha CDX-820 (CDP) -
they have to be mono no?
-
afterburnt wrote: »they have to be mono no?
The trigger ony requires 2 conductors so yes, the standard 1/8" mini phono cable is mono or TR (tip-ring) but you can use a stereo TRS (tip-ring-sleeve) cord and simply ignore the 3rd conductor.Main System
Carver Gear: C-11 (refit & modded, w/balanced outs), M-500 (refit), M-500t(x2) (refit), M-1.0t (refit & upgraded), SD/A 490t, TX-11b
Other Electronics: Behringer CX3400, Behringer FBQ3102, Furman PS-8R-II, Nikko NPS-1, Teac C-3RX, Technics SL-D303
Speakers: Legacy Audio Custom Super Satellites (new drivers & bi-ampable XOs), Legacy Audio Custom Subwoofers
Carver Office System: C-2 (refit & modded, w/balanced outs), DTL-50, M-200t, TX-2, Musical Fidelity X-10D, Design Acoustics DA-30 (DA-20LF sub w/4 DA-10 satellites)
Workshop System: Carver MXR-130 receiver, Carver DTL-50 CDP, Design Acoustics DA-30 (DA-20LF sub w/2 DA-10 satellites)
Son's System: Carver CT-7, Carver DTL-200MK2, Carver M-1.5t (refit), Hitachi PS-38 (TT), Polk SDA-SRS 1.2tl, Klipsch KG2.5, PSB Century Subsonic 2i powered sub
Not In Use or Need Repair: Denon DCM-35 (CDC), Teac X10R (RTR), Technics SL-1200MK1 (TT), Yamaha CDX-820 (CDP) -
Have you made any progress on this @afterburnt?Main System
Carver Gear: C-11 (refit & modded, w/balanced outs), M-500 (refit), M-500t(x2) (refit), M-1.0t (refit & upgraded), SD/A 490t, TX-11b
Other Electronics: Behringer CX3400, Behringer FBQ3102, Furman PS-8R-II, Nikko NPS-1, Teac C-3RX, Technics SL-D303
Speakers: Legacy Audio Custom Super Satellites (new drivers & bi-ampable XOs), Legacy Audio Custom Subwoofers
Carver Office System: C-2 (refit & modded, w/balanced outs), DTL-50, M-200t, TX-2, Musical Fidelity X-10D, Design Acoustics DA-30 (DA-20LF sub w/4 DA-10 satellites)
Workshop System: Carver MXR-130 receiver, Carver DTL-50 CDP, Design Acoustics DA-30 (DA-20LF sub w/2 DA-10 satellites)
Son's System: Carver CT-7, Carver DTL-200MK2, Carver M-1.5t (refit), Hitachi PS-38 (TT), Polk SDA-SRS 1.2tl, Klipsch KG2.5, PSB Century Subsonic 2i powered sub
Not In Use or Need Repair: Denon DCM-35 (CDC), Teac X10R (RTR), Technics SL-1200MK1 (TT), Yamaha CDX-820 (CDP) -
No I have to dig through my cables in the garage, I may have one that will work.
-
Turns out I have a big fat and only 20 stereo patch. does anyone know where to find a 3.5 mono trigger wire?
-
A mono cable that long will be hard to find. Either make your own or buy a stereo (TRS) cable. Monoprice sells them in 35' and 50' lengths.
50' basic ==> http://www.monoprice.com/product?p_id=647
35' premium gold ==> http://www.monoprice.com/product?p_id=5582
50' premium gold ==> http://www.monoprice.com/product?p_id=5583Main System
Carver Gear: C-11 (refit & modded, w/balanced outs), M-500 (refit), M-500t(x2) (refit), M-1.0t (refit & upgraded), SD/A 490t, TX-11b
Other Electronics: Behringer CX3400, Behringer FBQ3102, Furman PS-8R-II, Nikko NPS-1, Teac C-3RX, Technics SL-D303
Speakers: Legacy Audio Custom Super Satellites (new drivers & bi-ampable XOs), Legacy Audio Custom Subwoofers
Carver Office System: C-2 (refit & modded, w/balanced outs), DTL-50, M-200t, TX-2, Musical Fidelity X-10D, Design Acoustics DA-30 (DA-20LF sub w/4 DA-10 satellites)
Workshop System: Carver MXR-130 receiver, Carver DTL-50 CDP, Design Acoustics DA-30 (DA-20LF sub w/2 DA-10 satellites)
Son's System: Carver CT-7, Carver DTL-200MK2, Carver M-1.5t (refit), Hitachi PS-38 (TT), Polk SDA-SRS 1.2tl, Klipsch KG2.5, PSB Century Subsonic 2i powered sub
Not In Use or Need Repair: Denon DCM-35 (CDC), Teac X10R (RTR), Technics SL-1200MK1 (TT), Yamaha CDX-820 (CDP)

