Does recapping really improve sound? Or is it just "psycho-acoustics?"
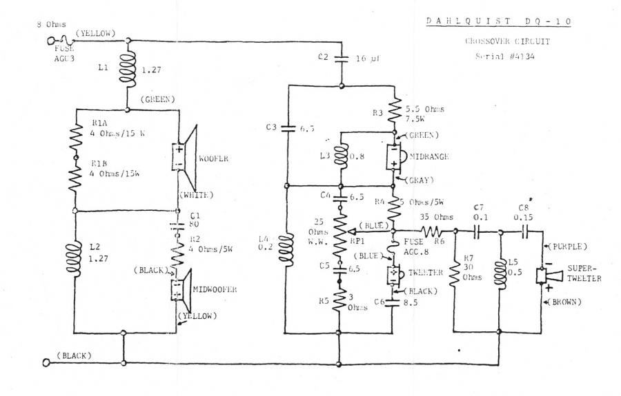
I was considering recapping a pair of Dahlquist DQ 10s I bought a few months ago as I have heard that recapping the crossovers dramatically improves the sound. However, when I called a very reputable (and highly recommended) repair tech to see how much it would cost to do the recapping, the repair tech told me not to waste my money because recapping was all "psycho-acoustics" and would have no effect at all on the sound. He said that the capacitors are merely like traffic lights directing traffic and that they all do the same thing. He told me he is an engineer, and while he would gladly do the service for me and take my money if I really wanted to go ahead with the recapping, he said he honestly could tell me to save my money as recapping would have no effect on the sound or performance on my DQ 10s.
I have heard so many things to the contrary that I was taken aback and now am left not knowing what to think.
What has been your experience with recapping? Does it dramatically improve sound and performance of speakers?
Thanks.
I have heard so many things to the contrary that I was taken aback and now am left not knowing what to think.
What has been your experience with recapping? Does it dramatically improve sound and performance of speakers?
Thanks.
Post edited by pglbook on
Comments
-
Hello, pglbook. Technicians and engineers [not all of them, obviously] commonly don't actually listen to the music as some here on the forum and elsewhere do. They test signals. The empirical evidence concerning your inquiry is overwhelming. This is a quote from one of our forum member's signature which in this case might make sense to you with regards to this.Appreciation of audio is a completely subjective human experience. Measurements can provide a measure of insight, but are no substitute for human judgment. Why are we looking to reduce a subjective experience to objective criteria anyway? The subtleties of music and audio reproduction are for those who appreciate it. Differentiation by numbers is for those who do not.
You want to rely on someone that deals with numbers, signals and spec's or do want to rely on those who have experienced the changes while listening that upgrading can make? I would go so far as to say that as old as those speakers are, one might hear an audible upgrade just changing out back to stock equipment. Capacitors have a shelf life as well as a useful life. FWIW.
Tom~ In search of accurate reproduction of music. Real sound is my reference and while perfection may not be attainable? If I chase it, I might just catch excellence. ~ -
Here is one of the members that can answer your questions.He has done a work for many here and always gets good feedback.
http://www.vr3mods.com/
Hope this helps.
Dan -
I would take my equip
elsewhereMain Rig:
Krell KAV 250a biamped to mid/highs
Parasound HCA1500A biamped to lows
Nakamichi EC100 Active xover
MIT exp 1 ic's
Perreaux SA33 class A preamp
AQ kingcobra ic's
OPPO 83 CDP
Lehmann audio black cube SE phono pre, Audioquest phono wire (ITA1/1)
Denon DP-1200 TT. AToc9ML MC cart.
Monster HTS 3600 power conditioner
ADS L1590/2 Biamped
MIT exps2 speaker cable -
Can't this guy replace a tweeter for you? :razz:
-
If I were you I would not take anything to that "engineer"! I have very limited experience in recapping speakers. But the little I have, I was very pleased with the results. I acquired a pair of Infinity RSIIIa's a while back. I was excited about getting them! I had always heard the EMIT's were awesome etc. Well the speakers sounded like they had wet blankets over them. The EMIT's were nothing special. The mids were meh. And the bass was very lacking. I unhooked them for a long time. Then I got to reading about recapping and its improvements. I checked the crossovers out in the Infinity's. I saw a few caps that didn't look right and one had completely came apart! The paper and foil inside was visible. I recapped them and the improvement was immediate. After many hours of listening they got better and better. The Infinity's are my main speakers right now.
So yeah it helps. But you may also get away with checking values of the caps and seeing if they are within spec. Unsolder one leg of the cap first before testing. There are many here that have way more experience that I do. And I am fairly sure they will tell you its worth the price o admission.--Gary--
Onkyo Integra M504, Bottlehead Foreplay III, Denon SACD, Thiel CS2.3, NHT VT-2, VT-3 and Evolution T6, Infinity RSIIIa, SDA1C and a few dozen other speakers around the house I change in and out. -
Thanks for your comments. I was just as surprised as you all seem to be by his comments. Everything I have read from audophile sites like this one have said how much of an imporovement recapping provides. I have no electronics background at all and just wanted to share this as I was shocked as well as it ran contrary to everything I have ever read. I do plan on getting the DQ 10s recapped and upgraded some day (not by that tech, of course) if I can fine a good local tech near me that can do the work at a reasonable price. That will be the challenge I guess. Thanks for your comments and confirmation. Now, can anyone recommend a good and reasonable technician in the Albany, NY, area? Thanks.
-
Hey PGL,
I have worked with individuals located all the way to Canada!
Would love to be of help!
- Not Tom ::::::: Any system can play Diana Krall. Only the best can play Limp Bizkit. -
Yep have VR3 do your recap. It will probably be cheaper than what a local tech will charge. He can do what ever brand of componets you want to fit what ever budget you want.AVR: Onkyo Tx-NR808
Amplifier: Carver A-753x 250 watts x 3
Fronts: Polk RTI A7 (modded by Trey VR3)
Center: CSI A4 (modded by Trey VR3)
Rear: FXI A4
Sub: Polk DSW Pro 660wi
TV: LG Infinia 50PX950 3D
Speaker Cable: AudioQuest Type 8
IC: AudioQuest Black Mamba II -
Hey, Trey [VR3] and good evening to you!
PGL, I'll put it to you this way. I have made threads on this very subject and I have heard first hand what an upgrade can do on a very nice system. I was so impressed that a buddy of mine and I gave that system a standing ovation when a reference song of mine was over [Trey wasn't even there], which I had never done before, and I will be allowing Trey to actually gut my 8K speakers apart. That's trust and that's confidence. In other words, I'm putting my own money where my mouth is.
Tom~ In search of accurate reproduction of music. Real sound is my reference and while perfection may not be attainable? If I chase it, I might just catch excellence. ~ -
Thank you. Wow..I definitely want to recap my DQ 10s and will look into VR3 helping me out. Thank you. It is such great news to find someone so highly recommended and valued by so many. That is important.
-
I would also suggest you take your gear elsewhere. You want someone specific to audio. VR3 can do your whole crossover for you if you send it to him. He has done alot of mods for forum members who all seem to be pretty pleased with the results.
The thing with older electronics is as the internal parts wear over time the sound changes ever so slighty, gradually, so that you don't even realize it until 10 years later you sit down and it doesn't sound as crisp, or forcefull as you remember them to be. Any vintage piece would sound better with some parts brought back up to spec.HT SYSTEM-
Sony 850c 4k
Pioneer elite vhx 21
Sony 4k BRP
SVS SB-2000
Polk Sig. 20's
Polk FX500 surrounds
Cables-
Acoustic zen Satori speaker cables
Acoustic zen Matrix 2 IC's
Wireworld eclipse 7 ic's
Audio metallurgy ga-o digital cable
Kitchen
Sonos zp90
Grant Fidelity tube dac
B&k 1420
lsi 9's -
Hmmmm, I have no idea what happened to the other posts on this linked thread below. There were many more posts, including conversation back and forth with RuSsMaN [former moderator whose comments on another thread actually initiated the thread to begin with] but this was a thread in which I specifically addressed your inquiry. These are what's left of my documented thoughts and I can say with complete certainty that psycho-acoustics had nothing to do with my observations. Once again, FWIW.
Here's the thread >>> http://www.polkaudio.com/forums/showthread.php?113863-upgrading-crossovers-should-come-first-and-foremost
Tom~ In search of accurate reproduction of music. Real sound is my reference and while perfection may not be attainable? If I chase it, I might just catch excellence. ~ -
Thanks...some great reading there and solid evidence of how a crossover upgrade definitely improves sound and performance. I am convinced and will do my DQ 10 crossovers soon. Thanks again. This is a great site full of very knowledgeable and helpful people. I am glad to have found it!
-
When someone pipes up with the psycho-acoustics babble, that conversion has just ended.Political Correctness'.........defined
"A doctrine fostered by a delusional, illogical minority and rabidly promoted by an unscrupulous mainstream media, which holds forth the proposition that it is entirely possible to pick up a t-u-r-d by the clean end."
President of Club Polk -
I happen to be an electrical engineer and I am learning that, even though calculations and PSpice simulations don't indicate a difference, they do make a difference. I was blown away at the improvements in my RTA11TLs after the XO component upgrades.Stan
Main 2ch:
Polk LSi15 (DB840 upgrade), Parasound: P/LD-1100, HCA-1000A; Denon: DVD-2910, DRM-800A; Benchmark DAC1, Monster HTS3600-MKII, Grado SR-225i; Technics SL-J2, Parasound PPH-100.
HT:
Marantz SR7010, Polk: RTA11TL (RDO198-1, XO and Damping Upgrades), S4, CS250, PSW110 , Marantz UD5005, Pioneer PL-530, Panasonic TC-P42S60
Other stuff:
Denon: DRA-835R, AVR-888, DCD-660, DRM-700A, DRR-780; Polk: S8, Monitor 5A, 5B, TSi100, RM7, PSW10 (DXi104 upgrade); Pioneer: CT-6R; Onkyo CP-1046F; Ortofon OM5E, Marantz: PM5004, CD5004, CDR-615; Parasound C/PT-600, HCA-800ii, Sony CDP-650ESD, Technics SA 5070, B&W DM601 -
Does PSpice take into consideration ESR and ESL?"He who fights with monsters should look to it that he himself does not become a monster. And when you gaze long into an abyss the abyss also gazes into you." Friedrich Nietzsche
-
I once had an "engineer" tell me (as he was selling me a vintage receiver) that caps do not ever go "bad" if you use them regularly; but letting them sit for years dries them out? So let me get this straight, I said, caps are "eternal" they never degrade, blow, or fail? And a 30 year old cap has the same values that it had when it was "new"? Oh, OK!
I couldn't believe what I was hearing because this guy was seriously interested in audio, he had some wonderful speakers and amps, and had refurbed some classic Allisons and Ohms, etc.
And. doesn't psycho-acoustics sort of describe "listening"? The science of listening to something?
cnhCurrently orbiting Bowie's Blackstar.!
Polk Lsi-7s, Def Tech 8" sub, HK 3490, HK HD 990 (CDP/DAC), AKG Q701s
[sig. changed on a monthly basis as I rotate in and out of my stash] -
I was considering recapping a pair of Dahlquist DQ 10s I bought a few months ago as I have heard that recapping the crossovers dramatically improves the sound. However, when I called a very reputable (and highly recommended) repair tech to see how much it would cost to do the recapping, the repair tech told me not to waste my money because recapping was all "psycho-acoustics" and would have no effect at all on the sound. He said that the capacitors are merely like traffic lights directing traffic and that they all do the same thing. He told me he is an engineer, and while he would gladly do the service for me and take my money if I really wanted to go ahead with the recapping, he said he honestly could tell me to save my money as recapping would have no effect on the sound or performance on my DQ 10s.
I have heard so many things to the contrary that I was taken aback and now am left not knowing what to think.
What has been your experience with recapping? Does it dramatically improve sound and performance of speakers?
Thanks.
That engineer/repair tech doesn't know what he is talking about as far as the way capacitors and resistors sound. I have re-capped a number of speakers with different capacitor/resistor brands and have noticed a very large difference in the audio they produce. Some caps/resistors produce much better imaging, tone, detail, transparency, dynamics, and soundstage than others. I have never re-capped the Dalquist DQ 10s, but new/higher end capacitors will still make an improvement no matter what speaker they are installed into. The difference will be greater or smaller depending on the caps/resistors used and the speakers they are installed into. As stated, don't listen to this engineer/tech as he is completely incorrect in his audio assessment regarding capacitors and resistors. If you use high quality parts, the resulting audio the speakers produce will be improved.
Taken from a recent Audioholics reply regarding "Club Polk" and Polk speakers:
"I'm yet to hear a Polk speaker that merits more than a sentence and 60 seconds discussion."
My response is: If you need 60 seconds to respond in one sentence, you probably should't be evaluating Polk speakers.....
"Green leaves reveal the heart spoken Khatru"- Jon Anderson
"Have A Little Faith! And Everything You'll Face, Will Jump From Out Right On Into Place! Yeah! Take A Little Time! And Everything You'll Find, Will Move From Gloom Right On Into Shine!"- Arthur Lee -
There is good rationale for why recapping can improve SQ.
Something to consider is that the polarized electrolytic capacitors commonly used in speakers were not designed for this type of signal. They are intended to be economical and provide a relatively large capacitance for their physical size. They are in essence, little batteries, and have electrolyte.
Polarized electrolytic capacitors generally require that the voltage applied to the + terminal never become negative relative to the other (-), therefore, should not be used with AC signals without a DC polarizing bias. The signal levels in speakers is low enough that manufacturers can get away with using them without damage. They work OK but are not ideal.
A metalized polypropylene film capacitor is a much better choice for audio signals in speakers.
Also consider that as the electrolytic capacitors age, the electrolyte tends to dry out and the value will drift.
I hope that I have provided a little concrete reasoning for the sound quality improvement.
StanStan
Main 2ch:
Polk LSi15 (DB840 upgrade), Parasound: P/LD-1100, HCA-1000A; Denon: DVD-2910, DRM-800A; Benchmark DAC1, Monster HTS3600-MKII, Grado SR-225i; Technics SL-J2, Parasound PPH-100.
HT:
Marantz SR7010, Polk: RTA11TL (RDO198-1, XO and Damping Upgrades), S4, CS250, PSW110 , Marantz UD5005, Pioneer PL-530, Panasonic TC-P42S60
Other stuff:
Denon: DRA-835R, AVR-888, DCD-660, DRM-700A, DRR-780; Polk: S8, Monitor 5A, 5B, TSi100, RM7, PSW10 (DXi104 upgrade); Pioneer: CT-6R; Onkyo CP-1046F; Ortofon OM5E, Marantz: PM5004, CD5004, CDR-615; Parasound C/PT-600, HCA-800ii, Sony CDP-650ESD, Technics SA 5070, B&W DM601 -
A couple of months ago, Trey of VR3 Mods completely rebuilt the crossovers and binding post cups on my Polk SDA SRS1.2s. When they were returned to me and after I installed them, improvement was immediately obvious.
But the profound difference occurred two or three days ago when my daughter (an accomplished violinist) and I were listening to "Bowfire," and we were both astonished as we sat there. Suddenly, and I mean suddenly, the speakers opened up before our very ears.
How to describe what happened? The soundstage broadened and deepened. Highs were clearer, brighter, and more accurate. The timbre of the violins was as realistic and precise as I have ever heard. The transients in rapid and complex bowings were precise and completely discernible. If it had been only me, I might have thought I was experiencing a placebo effect -- after all I spent a lot of time and money on those vintage Polks, and I wanted it to work.
But my daughter is not biassed. In fact, shortly before our "epiphany," she had commented that the sound was good, but not in the same league as a pair of Wilson Audio Maxx 3s we had auditioned last summer. After the "epiphany," she said, "The Polks are better in this room."
We have now listened to a great variety of music on other CDs, and the improvement is remarkable across the board.
Trey will tell you it takes upwards of 200 hours to burn in. I think we hit whatever number of hours it took to burn in the new caps, inductors and resistors while we were listening to "Bowfire," and the experience was beautiful and largely indescribable. Let me just say, the new caps and other components gave me precisely what I had dreamt of and precisely what other, far wiser and more experienced members of this Forum, have described and testified to again and again.
Does upgrading your crossovers help? I say yes.
Is Trey of VR3 Mods the man to do it for you, if you do not have the skills and knowledge to do it yourself? Yes.
Trey will give you good advice, a good price, and will keep you informed all along the way.
What's the downside? Well, once you get hooked on improving your system, you may not know where to stop! But that's the fun, isn't it?
Family Room, Innuos Statement streamer (Roon Core) with Morrow Audio USB cable to McIntosh MC 2700 pre with DC2 Digital Audio Module; AQ Sky XLRs to CAT 600.2 dualmono amp, Morrow Elite Speaker Cables to NOLA Baby Grand Reference Gold 3 speakers. Power source for all components: Silver Circle Audio Pure Power One with dedicated 20 amp circuit to main panel.
Exercise Room, Innuos Streamer via Cat 6 cable connection to PS Audio PerfectWave MkII DAC w/Bridge II, AQ King Cobra RCAs to Perreaux PMF3150 amp (fully restored and upgraded by Jeffrey Jackson, Precision Audio Labs), Supra Rondo 4x2.5 Speaker Cables to SDA 1Cs (Vr3 Mods Xovers and other mods.), Dreadnaught with Supra Rondo 4x2.5 interconnect cables by Vr3 Mods. Power for each component from dedicated 20 amp circuit to main panel, except Innuos Statement powered from Silver Circle Audio Pure Power One. -
Does PSpice take into consideration ESR and ESL?
It can if you set it up properly. I had played with this when investigating why creating a capacitor value (16uF) by placing two caps of different values (15uF and 1uF) in parallel doesn't sound right. The math works and the bode plot out of PSpice looks right for amplitude and phase compared to just using a 16uF cap, but it doesn't sound right. I stopped playing with it but I suspect that it may be in the impulse response.Stan
Main 2ch:
Polk LSi15 (DB840 upgrade), Parasound: P/LD-1100, HCA-1000A; Denon: DVD-2910, DRM-800A; Benchmark DAC1, Monster HTS3600-MKII, Grado SR-225i; Technics SL-J2, Parasound PPH-100.
HT:
Marantz SR7010, Polk: RTA11TL (RDO198-1, XO and Damping Upgrades), S4, CS250, PSW110 , Marantz UD5005, Pioneer PL-530, Panasonic TC-P42S60
Other stuff:
Denon: DRA-835R, AVR-888, DCD-660, DRM-700A, DRR-780; Polk: S8, Monitor 5A, 5B, TSi100, RM7, PSW10 (DXi104 upgrade); Pioneer: CT-6R; Onkyo CP-1046F; Ortofon OM5E, Marantz: PM5004, CD5004, CDR-615; Parasound C/PT-600, HCA-800ii, Sony CDP-650ESD, Technics SA 5070, B&W DM601 -
You guys are far too kind!
- Not Tom ::::::: Any system can play Diana Krall. Only the best can play Limp Bizkit. -
FYI, I'd still look to have this done locally.
"He who fights with monsters should look to it that he himself does not become a monster. And when you gaze long into an abyss the abyss also gazes into you." Friedrich Nietzsche -
All the comments above are spot-on and very helpful.
I can add my two cents that recapping does improve the sound, and in my observation there are two big reasons why:
1. Old caps can fail - when I replaced the capacitors in my KLH 6s the sound immediately improved because the tweeter started working again!
2. Caps degrade or fail with time - just last night I replaced the single 4.7uf cap in my pair of Realistic Nova 6bs (8" 2-way acoustic suspension). The improvement in the high frequency was immediate, even though the original caps seemed to be working just fine.
I would recommend that when and if you bring your Dahlquists in for recapping that you do one at a time and compare the before/after sound quality between the recapped and original speaker. Then you will be able to tell immediately what changes the new caps bring. Granted the new caps will need to 'burn-in' for a while before their sound becomes consistent but this comparison will give you the evidence you need. I did this with my Realistic speakers and it was very illuminating.
Enjoy!HT System:
Marantz NR-1403
Front: Klipsch CF-4
Rear: Paradigm Atom V3
Center: Boston Acoustic VR12
Sub: Bowers & Wilkins ASW600
2Ch:
Restored Fisher 500C
Yamaha P-500 Turntable
Living Room:
Harman Kardon 3380
Restored Polk Monitor 7B
Bedroom:
Harman Kardon VR-3750
Cambridge Soundworks Ensemble
Polk PSW10
In and out of rotation:
KLH Model 6,
Polk LSI7
NAD 7100 -
also an EE and love working as one...but there are many fields with EE that many dont come into contact with audio world....most of classes are in theory and don't really get hands on until get your feet wet...
to put in simple term, In theory resistors don't have have capacitance or inductance....but like jeans and t-shirts, even though they look the same, worn jeans and t-shirts have different feeling than new ones...Video: LG 55LN5100/Samsung LNT4065F
Receiver: HK AVR445
Source: OPPO BDP-93
HT: POLK SPEAKERS RTi6, FXi3, CSi5, VTF-3 MK2
2Ch system: MC2105, AR-XA, AR-2A, AR9, BX-300, OPPO BDP-83 -
[QUOTE=g
I would recommend that when and if you bring your Dahlquists in for recapping that you do one at a time and compare the before/after sound quality between the recapped and original speaker. Then you will be able to tell immediately what changes the new caps bring. Granted the new caps will need to 'burn-in' for a while before their sound becomes consistent but this comparison will give you the evidence you need. I did this with my Realistic speakers and it was very illuminating
Enjoy![/QUOTE]
Great idea. You can even do blind testing. -
You'll find plenty of threads on this forum where the benefits of one tweak or another are hotly debated. Some people swear they make a difference, others say they detect no audible change and any perceived improvement must be placebo or "psycho-acoustic." Dare I mention.... ahem.... cables.....
However! After all the years I have been on this forum, I'd say I have probably seen over 100 (at least) examples of people re-capping their crossovers, and not just with Polk speakers. I cannot recall one single instance of someone recapping crossovers and not coming back and saying "WOW!" It's as unanimous as anything I've ever seen on this forum. I agree with the advice you're receiving here - find someone else to work on your speakers. I'm not saying this guy isn't a good technician, he may well be perfectly competent. But it's not just about soldering skills, you want someone who can give you solid advice. In that department, this engineer of yours is not the right guy. Don't hesitate to deal with VR3 (Trey). He does fantastic work.Good music, a good source, and good power can make SDA's sing. Tubes make them dance. -
Thanks for all of the comments and confirmation. I appreciate them. And I will definitely recap the crossovers on my DQ 10s!
I am convinced that it will improve things! -
When someone pipes up with the psycho-acoustics babble, that conversion has just ended.
yep the door just closed as i walk out of his shop -
pglbook, take it from a once innocent victim of these ghouls on cp, i just stopped in to see if a set of polks for sale locally were worth it, they answered my question politely, even explaining things about the speakers i didnt know.
WELL, little by little, these hellhounds have caused me to spend money on gear i never even knew existed, now i am unexplainably drawn to the flicking of power switches, the unplugging and plugging back speaker connectors to listen to multiple sets of speakers, and worst of all, i have been coaxed, ney forced to have new capacitors installed on two sets of speakers, bringing them back to a state of performance I would not have expected.
If they ever tell you, WELCOME TO THE RABBIT HOLE, its over, did you get that,WELCOME TO THE RABBIT HOLE is the phrase to watch for, its over then, you are theirs.
RUN
Ive got to go now, i think they are watchinghumpty dumpty was pushed













